UW- value 1.1

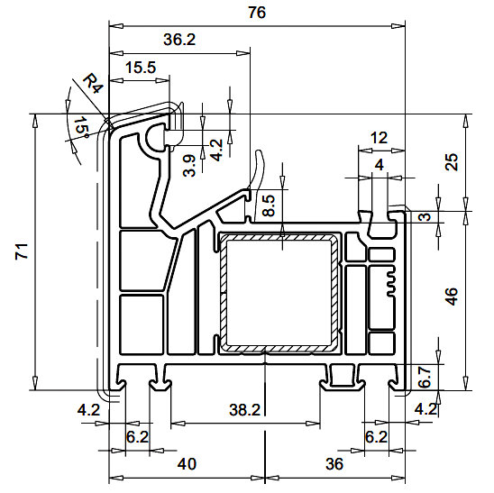
Veka Softline 76 representa la evolución de los sistemas de ventanas clásicos, ofreciendo propiedades termofísicas mejoradas sin un aumento significativo del coste. Es un sistema con una profundidad de montaje de 76 mm que ocupa el nicho del «justo medio» entre los perfiles básicos de 70 mm y los sistemas premium de 82 mm. Con un grosor de pared exterior de 3 mm (clase «A» según DIN EN 12608), el perfil garantiza una estabilidad dimensional excepcional y durabilidad de las soldaduras.

El mayor ancho de montaje permite instalar acristalamientos más anchos y cálidos de hasta 48 mm de grosor, lo que mejora significativamente el aislamiento acústico y el ahorro de energía del hogar. La parte visible estrecha del perfil (travesaños) proporciona máxima entrada de luz natural, haciendo que el espacio parezca visualmente más amplio. Es la elección ideal para el acristalamiento de chalets y apartamentos modernos con altos requisitos de ahorro energético.

Número de artículo
400.100.002

Especificaciones Técnicas

Detalles

Elección óptima

Justo medio

Equilibrio de características
El sistema Softline 76 está diseñado como el equilibrio perfecto entre los sistemas clásicos de 70 mm y los perfiles masivos de 82 mm. Ofrece indicadores mejorados de protección térmica (Uf = 1,1 W/m²K) gracias al ancho de 76 mm, manteniendo un aspecto elegante y un precio más accesible en comparación con el segmento premium.

Sistema MD

3 circuitos de sellado

Circuito de sellado central
En esta configuración, el perfil está equipado con un tercer circuito de sellado (central). El labio de la junta en el marco divide el espacio de cierre en dos cámaras, creando una zona «seca» para los herrajes. Esto protege los mecanismos de la corrosión y proporciona máxima hermeticidad y aislamiento acústico.

Fiabilidad duradera

Potencia de Clase A

Pared de 3mm
Como toda la gama insignia de Veka, el perfil Softline 76 se fabrica estrictamente según el estándar RAL de clase «A» con un grosor de pared exterior de 3 mm. Esto garantiza alta resistencia angular, fijación segura de las bisagras y ausencia de deformaciones de la hoja durante toda la vida útil, lo cual es especialmente importante para acristalamientos de triple cámara pesados.

Veka Softline 76

Estándar moderno de eficiencia energética. 76 mm, clase «A» y equilibrio perfecto entre aislamiento térmico y transmisión de luz.

Calcular Costo
Tiempo de fabricación estimado 3-6 semanas.
Servicios Disponibles
Medición y diseño gratuitos Más detalles
Entrega en el lugar de instalación Más detalles
Instalación por nuestros especialistas Más detalles
Comprar por Teléfono
Llámenos de lunes a sábado, excepto festivos, de 8:00 a 22:00. Domingos y festivos de 10:00 a 20:00. Llamar

Renovaciones

¿Pensando en la renovación que siempre pospone? Tenemos la solución

Más detalles

Opciones de Financiación

Disfrute de su compra ahora y páguelo a plazos utilizando nuestros servicios de financiación.

Más detalles

No Olvide Añadir

Elementos adicionales y accesorios que harán su hogar aún más confortable

Mosquiteras

Protegen su hogar de insectos, polvo y polen, permitiéndole disfrutar del aire fresco incluso en pleno verano.

Manillas con Cerradura

Los herrajes de calidad garantizan la comodidad de uso y la seguridad de sus ventanas y puertas.

Laminación

Las fachadas coloridas y el deseo de decorar su hogar hacen que la demanda de ventanas laminadas crezca cada año.

Elementos Decorativos

Las tiras y molduras decorativas permiten dar a sus ventanas un estilo individual, destacando las características arquitectónicas de su hogar.

Compare con Perfiles Similares

Soluciones alternativas de otros fabricantes

UW- value 1.3

Veka Softline 70

Referencia en resistencia. Perfil de clase superior «A» con refuerzo cerrado para máxima estabilidad y aislamiento térmico.
Eficiencia energética
A
Cámaras del perfil
5 cámaras
Profundidad del perfil
70mm
Altura del perfil
112mm
Acristalamiento
hasta 42mm
Aislamiento térmico
Uw ≤ 1.3 W/(m²·K)
Aislamiento acústico
≈45 Rw(dB)
UW- value 1.0

Veka Softline 82

Sistema insignia de eficiencia energética. Perfil de 7 cámaras con 82 mm de ancho y tres circuitos de sellado (MD) para máximo ahorro de calor.
Eficiencia energética
A++
Cámaras del perfil
7 cámaras
Profundidad del perfil
82mm
Altura del perfil
124mm
Acristalamiento
hasta 52mm
Aislamiento térmico
Uw ≤ 0.80 W/(m²·K)
Aislamiento acústico
≈47 Rw(dB)
UW- value 1.1

Veka AluConnect

Híbrido revolucionario. Perfil de aluminio estructural exterior y núcleo cálido de PVC interior. Diseño de aluminio con aislamiento de plástico.
Eficiencia energética
A++
Cámaras del núcleo
Multicámara
Profundidad del perfil
82mm
Altura del perfil
114mm
Acristalamiento
hasta 58mm
Aislamiento térmico
Uw ≤ 1.1 W/(m²·K)
Aislamiento acústico
≈46 Rw(dB)
UW- value ≤ 1.1

Kömmerling EuroFutur Elegance

Un clásico para una reforma rápida y económica. Ideal para sustituir ventanas antiguas en pisos: se instala fácilmente en huecos estándar y ofrece un aspecto acogedor gracias a sus líneas suaves y redondeadas.
Eficiencia energética
B / A
Material
PVC (Greenline)
Profundidad del perfil
70 mm
Aislamiento
5 cámaras
Acristalamiento
hasta 39 mm
Protección térmica (Uw)
≤ 1.3 W/(m²·K)
Aislamiento acústico
≈ 40 Rw(dB)
UW- value ≤ 0.9

Kömmerling Xtrem 76 AD

Opción universal para el sol español. La composición especial del perfil no teme al calor y no amarillea con el tiempo. Es el «punto medio» para quienes necesitan ventanas alemanas fiables sin pagar de más por opciones innecesarias.
Eficiencia energética
A
Material
PVC (Xtrem)
Profundidad del perfil
76 mm
Aislamiento
5 cámaras
Acristalamiento
hasta 50 mm
Protección térmica (Uw)
≤ 1.1 W/(m²·K)
Aislamiento acústico
≈ 44 Rw(dB)
UW- value ≤ 0.8

Kömmerling Xtrem 76 MD

La mejor solución para casas cerca del mar. La tercera junta actúa como barrera: no deja entrar el polvo salino ni la humedad, protegiendo los mecanismos de la corrosión, y amortigua mucho mejor el ruido exterior.
Eficiencia energética
A+
Material
PVC (Xtrem)
Profundidad del perfil
76 mm
Aislamiento
6 cámaras / 3 juntas
Acristalamiento
hasta 50 mm
Protección térmica (Uw)
≤ 1.0 W/(m²·K)
Aislamiento acústico
≈ 47 Rw(dB)

Dejar una reseña

Reseñas de clientes

Descubra lo que la gente dice al respecto

0.0
Valoración media
0 reseñas
5 ★
0
4 ★
0
3 ★
0
2 ★
0
1 ★
0

Aún no hay reseñas. ¡Sea el primero!

FAQs

Preguntas Frecuentes sobre Veka Softline 76

¿Cuál es el sentido de la profundidad de alojamiento del vidrio de 25 mm?

La profundidad habitual de alojamiento del acristalamiento es de 18-20 mm. El aumento a 25 mm permite ocultar completamente el marco espaciador detrás del plástico del perfil. Esto elimina el «puente térmico» en los bordes y reduce drásticamente el riesgo de condensación durante las heladas.

¿Cuánto más cálido es el sistema 76 en comparación con el 70?

Gracias a los 6 mm adicionales de ancho y la posibilidad de instalar acristalamiento de 48 mm, la resistencia térmica total de la ventana terminada aumenta aproximadamente un 10-15%, lo cual se nota en la calefacción de una vivienda unifamiliar.

¿Se puede usar el acabado Veka Spectral?

Sí, Softline 76 es la plataforma principal para el exclusivo acabado aterciopelado Spectral. El perfil se lamina sobre una base de color (gris, grafito, umber), para que al abrir la ventana no se vean huecos blancos.

¿Qué peso máximo de hoja soportará el perfil?

Con el uso de bisagras reforzadas y vidrio encolado, la hoja puede pesar hasta 100-120 kg, lo que permite crear elementos panorámicos practicables de hasta 2,4 metros de altura.

¿Se necesita refuerzo especial para 76 mm?

Sí, para este sistema se han desarrollado sus propios artículos de refuerzo que replican exactamente la geometría de las cámaras. Las holguras entre el plástico y el metal son mínimas, lo que proporciona máxima rigidez a la estructura.

¿Es compatible el sistema con herrajes antirrobo?

Absolutamente. Además, gracias a las paredes gruesas de clase «A», los tornillos de los herrajes se sujetan más firmemente, dificultando el forzado de las hojas con palanca.

¿Necesita ayuda para elegir?

Solicite una consulta gratuita de nuestros especialistas. Le devolveremos la llamada en un momento conveniente y discutiremos cómo podemos ayudarle.

Todos los precios están en euros e incluyen IVA y costos de entrega. Los precios tachados corresponden a los precios originales del producto según el precio de venta recomendado por el fabricante (si está disponible). En caso de prepago, los precios y ofertas serán válidos durante 7 días desde la confirmación del pedido; posteriormente, estarán sujetos a cambios. Zona de entrega: España.

Los colores, acristalamientos y tamaños pueden diferir de las imágenes. No se garantiza el realismo de la imagen.

Algunos productos e imágenes relacionadas en videos pueden contener artículos descontinuados e información.

1 Los tiempos de producción pueden aumentarse bajo ciertas circunstancias (p. ej., diseño especial, períodos de vacaciones de la empresa, etc.). Por razones técnicas, no podemos tener en cuenta estas extensiones al calcular los tiempos de producción. Debido a circunstancias externas en la adquisición de materias primas como acero, PVC y madera, el tiempo de producción de su pedido puede aumentarse. Por favor, tenga esto en cuenta. Esto no le da derecho a exigir cambios en los precios contractuales o la posibilidad de rescindir el contrato de compraventa.

Como cliente de Ventanas Fraktal, recibirá recomendaciones por correo electrónico, de las cuales puede darse de baja en cualquier momento siguiendo el enlace adjunto. Puede encontrar información más detallada en nuestra Política de privacidad.